Газовый камин Panorama 43/105/38/105 производитель Brunner
- Производитель:
- Модель:10453
- 6
- Гарантийный срок:5 лет
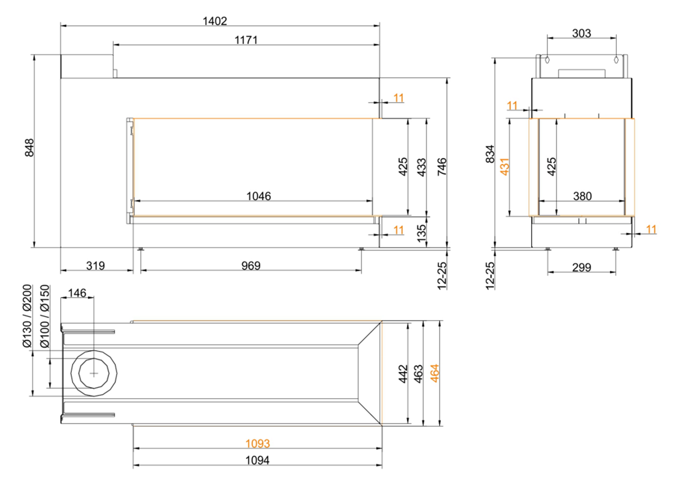
- Высота:834 мм
- Глубина:584 мм
- Ширина:1402 мм
- Варочная поверхность:нет
- Вес:188 кг
- Показать все характеристики
Газовый камин BRUNNER Panorama 43/105/38/105 обладает мощностью от 7,2 до 10,1 кВт, что обеспечивает эффективный обогрев помещения. Размеры по стеклам двери 43 х 38 х 105 см, что позволяет ему гармонично вписаться в интерьер. Камера сгорания выполнена из черных стальных панелей, предлагается в двух вариантах: бесшовные стальные панели и стеклокерамические черные панели, что придает камину современный и элегантный вид.
Камин оснащен технологией линейного огня, что создает эффектный и равномерный огонь по всей длине. Управление камином осуществляется дистанционно, что делает его использование максимально удобным. BRUNNER Panorama 43/105/38/105 поддерживает два вида топлива: природный и сжиженный газ, что добавляет гибкость в выборе источника энергии.
С точки зрения энергоэффективности, камин маркируется как vA/vW, что свидетельствует о его высокой эффективности. Основное преимущество этого камина — создание уютной и атмосферной обстановки в любом помещении. Он не только служит источником тепла, но и является стильным элементом декора, который привнесет комфорт и роскошь в ваш дом.
Газовый камин Panorama 43/105/38/105 в интерьере

Чертеж газового камина Panorama 43/105/38/105


| Гарантийный срок | 5 лет |
| Высота | 834 мм |
| Глубина | 584 мм |
| Ширина | 1402 мм |
| Варочная поверхность | нет |
| Вес | 188 кг |
| Вид топлива | газ |
| Водяной контур | нет |
| Диаметр дымового патрубка | 130-200 мм |
| Длительное горение | да |
| Материалы корпуса | сталь |
| Мощность печи | 7,2 - 10,1 кВт |
| Расположение печи-камина | Отдельно стоящее |
| Производитель | Brunner (Германия) |
Пока не было вопросов.
Теги: газовый камин, дровяной, brunner































