Каминная топка Spartherm Varia AS производитель Spartherm
- Производитель:
- Модель:5689
- 8
- Вес:166 кг
- Виды твердого топлива:Твердое
- Водяной контур:Нет
- Гарантийный срок:5 лет
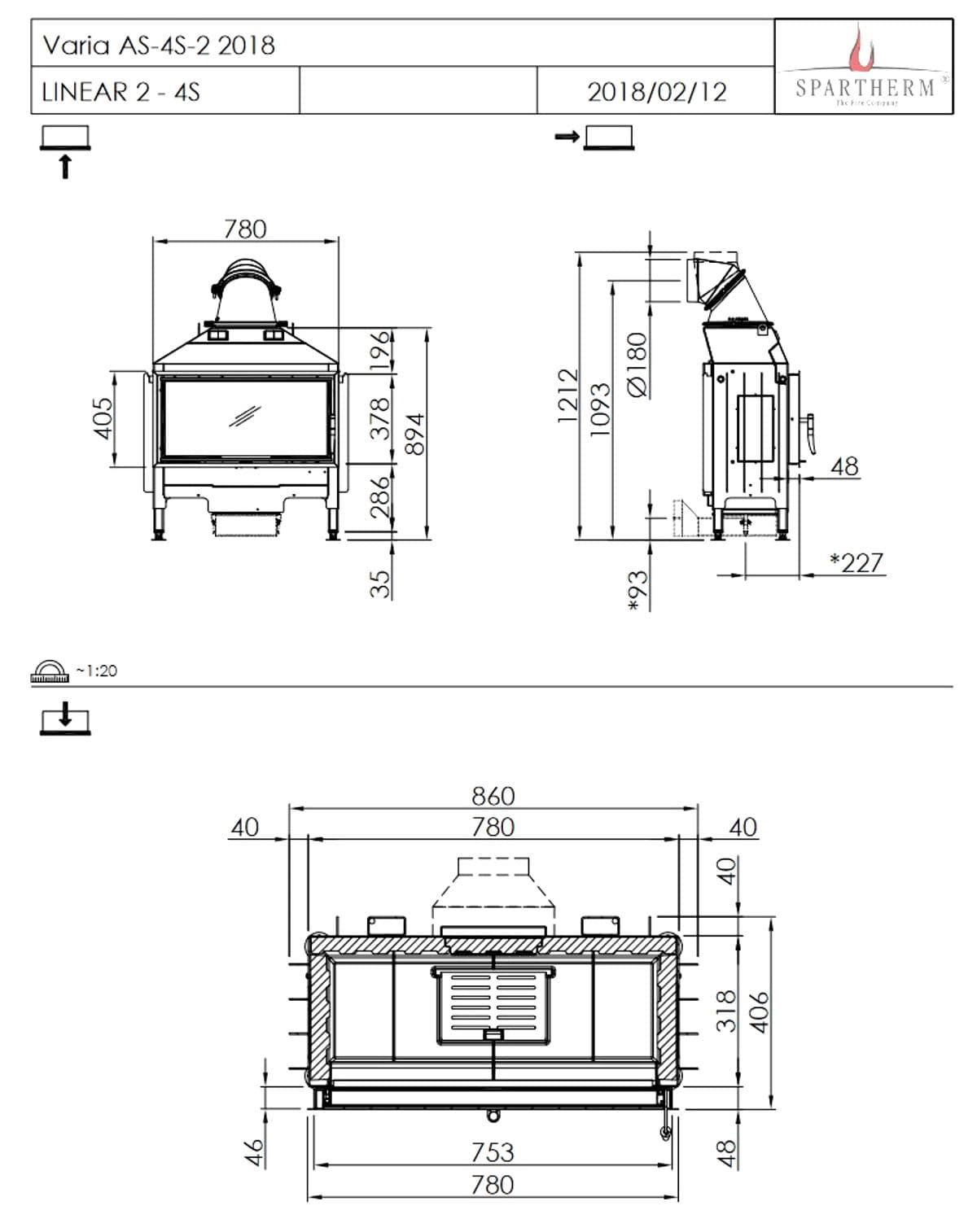
- Глубина:406 мм
- Показать все характеристики
Каминная топка Spartherm Varia AS с прямым стеклом - воплощение настоящего немецкого качества, сочетающая в себе эстетику изысканного дизайна и последние технические разработки в области производства каминного оборудования. По всем параметрам топки Spartherm полностью соответствуют требованиям к продукции премиум-класса и изготавливаются только из высококачественной стали. Камин оснащен самозакрывающейся дверцей с механизмом бокового открывания, обеспечивающим полную герметичность топочной камеры, а также системой "чистое стекло" и полностью регулируемой системой вторичного дожига, позволяющей достигать высоких показателей теплоотдачи.

- Стандартная форма оформления с покрытыми черным термостойким лаком деталями дверки. Решение в привычных классических формах. Удобное обслуживание и уход
- Топка оснащена поворотным чугунным дымосборником для индивидуального направления потоков газа
- Герметичность корпуса достигается отсутствием винтовых и шурупных креплений
- Возможно подключение подачи воздуха на горение извне
- Подача воздуха на первичный и вторичный дожиг регулируется независимо друг от друга. Вторичный дожиг воздуха в топочной камере обеспечивает эффективное сжигание с низким уровнем выброса вредных веществ
- Топка имеет одинарное остекление стеклокерамикой высокой температурной стойкости от лидера мирового рынка SCHOTT. Инфракрасное покрытые обеспечивает защиту от вредного спектра излучения
- Система самоочистки стекла обеспечивает длительный обзор пламени без помех
- Поворотная колосниковая решетка из высококачественного литого материала, которую легко и просто чистить
- Рычаг для управления воздухом одновременно используется для регулировки приточного воздуха, вторичного дожига и системы "чистое стекло". Обладает телескопической механикой, минималистичным дизайном и высокой функциональностью. Для использования регулировки не нужны специальные инструменты, кроме ключа "холодная рука". Регулировочный рычаг почти незаметен и не нарушает органичный внешний вид фасада топки
- Саморегулирующийся замок Smart Close с инновационной системой замыкания, основанной на постоянном прижиме. Механизм затвора расположен снизу и сверху на дверце
- Облицовка топочной камеры не чувствительна к ударам, термостойка и обладает превосходными теплоизоляционными качествами
- Регулируемые ножки предназначены для удобного выравнивания топки, имеют подвижные диски в основании и обеспечивают устойчивое положение топки

При ширине передней панели 75 см и высоте всего 38 см Varia AS и Varia ASh впечатляют своим сенсационным широким форматом. И эти каминные топки подойдут для вашего умного дома. Благодаря вентиляции S-Vent и цифровой системе управления горением S-Thermatik NEO в вашем распоряжении действительно удобный пакет помощи. В Varia AS вы можете выбрать дверную петлю слева или справа. Как у Вариа АШ дверь можно приподнять.

Каминная топка Spartherm Varia AS в интерьере:


| Вес | 166 кг |
| Виды твердого топлива | Твердое |
| Водяной контур | Нет |
| Гарантийный срок | 5 лет |
| Глубина | 406 мм |
| Диаметр дымохода | 180 мм |
| Количество стекол в дверце | 1 |
| Коэффициент полезного действия | 80 % |
| Мощность номинальная | 7 кВт |
| Наличие шибера | Нет |
| Подключение к дымоходу | Верхнее |
| Производитель | Spartherm |
| Система очистки стекла | Обдув стекла потоком воздуха |
| Способ открытия дверцы топки | в сторону |
| Страна производитель | Германия |
| Форма стекла топки | Прямое |
| Ширина | 860 мм |
| Высота | 1212 мм |
| Материал топки | сталь, шамот |
Пока не было вопросов.
Теги: каминная топка, стальная, Spartherm
























