Печь камин La Nordica Termorosa DSA производитель La Nordica
- Производитель:
- Модель:10046
- 3
- Высота:852 мм
- Глубина:662 мм
- Ширина:1017 мм
- Варочная поверхность:да
- Вес:211 кг/ 226 кг
- Показать все характеристики
Печь-камин La Nordica Termorosa DSA - итальянская дровяная термопечь со встроенным устройством защиты D.S.A.
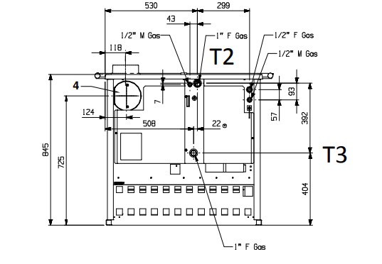
Модель Termorosa DSA имеет водяной контур для подключения к центральному отоплению. Помимо интеграции в вашу систему отопления, возможно также подключение к нагреву бытовой воды.
Прочная конструкция со всеми необходимыми деталями из чугуна обеспечивает долгую эксплуатацию печи и ее качественный внешний вид.
La Nordica Termorosa DSA способна выполнять обычные функции приготовления пищи и выпечки на любой кухне, в независимости от газа или электричества.
Камера сгорания, которую можно уменьшить с помощью рукоятки , позволяет выпекать и готовить даже при небольшом огне и низком излучении тепла в помещение.
Под отсеком для золы находится просторный ящик для хранения дров.
Особенности и преимущества:
- Внешняя отделка фасада майоликой или натуральным камнем
- Эмалированная духовка с панорамным стеклом
- Чугунная облицовка с глазурованным покрытием
- Варочная панель с конфорками из полированного чугуна
- Ящик для хранения дров
- Регуляторы подачи воздуха на первичное горение, в систему дополнительного дожига и для очистки стекла
- Встроенное устройство защиты D.S.A.

ТЕХНОЛОГИИ:
- Остаточное горение: благодаря специальным регуляторам подачи воздуха на горение, разработанным La Nordica-Extraflame, реализована система дополнительного дожига, способствующая значительному сокращению выбросов.
- Система чистого стекла: система, которая благодаря специальному способу подогрева воздуха эффективно предотвращает образование отложений на стекле дверцы очага.
- Абсолютная герметичность дверцы: оборудование оснащено герметичной дверцей топочной камеры из высококачественного чугуна.
- Автоматическое устройство безопасности): это предохранительное устройство для предупреждения резкого снижения температуры воды в соответствии с действующими нормативами. Дополнительный (опция) клапан DSA.


| Высота | 852 мм |
| Глубина | 662 мм |
| Ширина | 1017 мм |
| Варочная поверхность | да |
| Вес | 211 кг/ 226 кг |
| Вид топлива | дрова |
| Водяной контур | да |
| Диаметр дымового патрубка | 150 мм |
| КПД | 79,9 % |
| Материал топки | чугун |
| Материалы корпуса | керамика/натуральный камень |
| Мощность теплообменника | 9,0 кВт-H2O |
| Номинальная мощность | 15,5 кВт |
| Отапливаемый объём | 444 м3 |
| Подключение к дымоходу | сверху или сзади |
| Расположение печи-камина | Пристенные |
| Расход твердого топлива | 4,5 кг/ч |
| Производитель | La Nordica (Италия) |
Пока не было вопросов.
Теги: печь-камин, дровяной, La Nordica





















